联系我们
- 联系人:郭经理
- 传真:010-69552656
- 电话:400-0346-119
- 电话:010-57113119
- 邮箱:506665119@qq.com
- 地址:北京通州区新华北路117号
电动排烟窗是否必须设置火灾自动报警系统?
来源:消防检测 时间:2018-03-03 11:36:28
近来,针对设置在建筑物内用于自然排烟的电动排烟窗,出现了两种截然不同的观点:一种认为建筑物内设置电动排烟窗,就必须设置火灾自动报警系统(以下简称FAS)并应实施消防联动控制,方能确保火灾时的自然排烟;另一种则认为规范并无明确规定,在可不设置FAS的建筑物内设置用于自然排烟的电动排烟窗,不必设置FAS。孰是孰非?
2015年5月1日实施的GB50016-2014《建筑设计防火规范》(以下简称14版《建规》),分别在8.5.2条、8.5.3条针对厂房和仓库、民用建筑规定了“应设置排烟设施”的场所和部位,但却无具体排烟系统设计规定。
为此,公安部消防局于2015年4月27日发布了“关于执行新版消防技术规范有关问题的通知”(公消[2015]98号),
该文第三条要求:“鉴于新制订的《建筑防烟排烟系统技术规范》尚未批准发布,防烟排烟系统的设计与审核按照以下规定执行:防烟与排烟系统设置场所执行新版《建筑设计防火规范》(GB50016-2014);
其他具体系统设计仍执行《建筑设计防火规范》(GB50016-2006)及《高层民用建筑设计防火规范》(GB50045-95)(2005版)的有关规定。”
关于自动排烟窗和手动排烟窗的理解
无论上海市工程建设规范DGJ08-88-2006《建筑防排烟技术规程》还是GBXXXXX-201X《建筑防烟排烟系统技术规范》(报批稿)都未规定无FAS的公建、厂房和仓库采用手动排烟窗实现自然排烟时因采用了电动排烟窗,便将其划归自动排烟窗,仅针对某些特定条件或当排烟窗开窗面积不符合规定时才强制要求设置自动排烟窗。
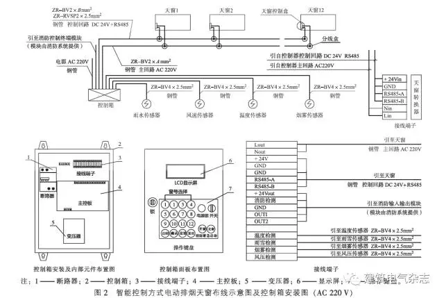
国标图集09J621-2《电动采光排烟天窗》“普通控制方式控制器安装图(AC220V)”(P43)和“普通控制方式控制器安装图(DC24V)”(P48)图示中均有“接线端子1(2)引至消防输入输出模块(模块由消防系统提供)”,笔者认为这些图示中的“接线端子1(2)”当属产品标配:
a.当需要与FAS实现消防联动控制时,它就能使此电动排烟窗实现自动排烟窗的消防功能;
b.当建筑物内不设置FAS时,它将被弃之不用,此电动排烟窗仅能实现手动排烟窗的消防功能。
图1、图2分别是国标图集09J621-2中普通和智能控制方式电动排烟天窗布线示意图及控制箱安装图。
“图1”(DC24V同理)在有、无FAS的建筑物内,可分别实现自然排烟设施的下列功能:

a.有FAS——作为自动排烟窗使用;
b.无FAS——作为手动排烟窗使用。
“图2”(DC24V同理)在有、无FAS的建筑物内,可分别实现自然排烟设施的下列功能:

a.有FAS——作为自动排烟窗使用,同时兼具智能排烟窗功能;
b.无FAS——作为智能排烟窗使用。
以丁类车间为例列表说明各种电动排烟窗的不同作用
以火灾危险性小、发生火灾危害损失不大的丁类车间为例,因其建筑面积大于5000m2就必须设置排烟设施,此时在满足“排烟面积不应小于排烟区域建筑面积的3%”前提条件下,就可设置手动排烟窗,若采用电动排烟窗可不设置FAS。
当然,这种情况下,采用DGJ《防排烟》的“可远距离控制的排烟窗”或GB《防排烟》的“集中控制的手动排烟窗”较为安全和可靠,若采用智能排烟窗就更为安全和可靠,大可不必强制要求设置FAS。
安全性、可靠性与经济性、合理性,是相互制约的。在一个原本可不必设置FAS、不具很大危险、危害性的建筑物内,片面追求安全和可靠,超越规范规定提高设计要求,难以兼顾经济和合理。
FAS必须具备自动和手动两种触发装置,根据现行GB50116-2013《火灾自动报警系统设计规范》“3.4.1具有消防联动功能的火灾自动报警系统的保护对象中应设置消防控制室”的“强条”规定,又会涉及消防控制室的设置(再怎样放宽要求,设置值班室也是避无可避、躲无可躲的)和-为基本的消防值班人员配备,如此超规范设计可能得不偿失,投资业主方也未必会答应,到时反诘以何为据设计FAS,设计人员将无言以对。
为方便理解和分析,下面以建筑面积大于5000m2丁类车间应设排烟设施(以自然排烟设施)举例,将设置自动排烟窗、智能排烟窗和手动排烟窗后的相关内容,列表进行说明,如表1所示。

除特别规定条款外,无论DGJ《防排烟》还是GB《防排烟》,当不设置FAS的公建、厂房或仓库在满足一定的自然排烟条件情况下,结合工程的实际情况和业主的委托要求,按规程、规范设置相应的就地手动排烟窗(包括手摇开窗机、电动排烟窗)、集中控制的手动排烟窗(包括集中控制、远距离控制)或无FAS的智能排烟窗,均合情合理、合法合规。
-后,归纳总结为两句话:
a.可不设置FAS的建筑物按规范规定设置手动排烟窗,采用电动排烟窗时,可不设置FAS,允许手动控制(手动控制的具体方式及控制要求视建筑工程具体情况而定)开启电动排烟窗;
b.可不设置FAS的建筑物按规范规定设置自动排烟窗,采用电动排烟窗时,应在“相关的部位或场所”设置FAS,必须通过FAS联动控制自动开启电动排烟窗。
对专业提资不清的处理和“宜采用自动控制”的理解
笔者建议,当建筑专业与暖通专业经讨论协商后决定设置自然排烟设施且采用电动排烟窗时,在提交电气专业的提资单上应注明是自动排烟窗还是手动排烟窗(若采用手摇开窗机,则建筑专业无需提资),若涉及集中、远控、智能控制方面的问题,也应在提资前与电气专业讨论协商确定后反映在提资单上;当电气专业发现提资不清时应拒绝接收。
如遇个别概念不清或不负责任的建筑设计人员拒绝配合的时候,可报请项目负责人甚至部门行政领导进行批评和教育,责其改正错误。否则,电动排烟窗设计有误不但影响设计单位声誉,而且火灾时可能会危及人身安全。
将来GB《防排烟》颁布、实施后,专业间的提资更应按规范规定不打折扣地执行。
毫无疑问,按规范规定,建筑物内设置自动排烟窗,就得按14版《建规》的要求,在其对应的“场所或部位”设置FAS,并以联动控制方式开启进行设计。
但若建筑物内未设置自动排烟窗但对应条款有“宜采用自动控制”要求,又该如何认识?
GB《防排烟》和其他现行国标一样,在“本规范用词说明”中明确规定:表示允许稍有选择,在条件许可时首先应这样做的用词:正面词采用“宜”,反面词采用“不宜”。
但何谓“条件许可”?
笔者认为:在对待电动排烟窗这个问题上,如果建筑物内已经设有FAS,就应该认为“条件许可”,GB《防排烟》4.2.4条厂房、仓库的外窗(侧窗或顶窗)“宜采用自动控制”首先按“应采用”对待,无特殊原因,这些电动排烟窗就理应按自动排烟窗进行设计;
如果建筑物内未设有FAS且又无其他强制规定,则可认为此“宜采用”已不具约束力,设计人员可按建筑工程实际情况和业主的委托要求在自动排烟窗、智能排烟窗、手动排烟窗(电动排烟窗的各种控制方式或手摇开窗机)选项中作合理选择并经业主认可后,再行设计。
笔者之所以对电动排烟窗进行上述分析,目的是理清概念,并非是想僭越电气专业职责范围,越俎代庖替建筑专业和暖通专业决断。相反,该由建筑专业和/或暖通专业提资的相关内容,理应由其全权负责。
但是,作为设计人员,相互学习、了解和掌握一些其他相关专业的知识,就能判断所接收到的提资内容是否正确和合理,就能更好地服务于单位、服务于业主,做对设计不留遗憾。不然,各专业各行其是各管各,不但有可能偏离设计规范规定条款的本意,而且有可能做出违规设计,埋下事故隐患。
作为设计人员,要想在遵守规范正确规定的前提条件下,尽力满足业主的合理要求,不但做对设计,更要做好设计,就得多看、多学、多思、多想,各专业之间多交流探讨,多取长补短。文中若有不当之处,敬请斧正。
作者:
李顺康,上海核工程研究设计院,高级工程师。
杨捷,宁夏建筑设计研究院,高级工程师,主任工程师。
本文有删减,全文载于《建筑电气》2017年第2期,详文请见杂志。
版权归《建筑电气》所有。


